Обьект: установка водоподготовки в школе, Шурышкарский район, пос.Горки
Задача объекта: доочистка хозяйственно-питьевой воды из поселкового водопровода
Требования к очищенной воде: соответствие требованиям СанПиН 2.1.4.1074-01
Качество исходной воды: железо — 3,69 мг/дм3, жесткость — 13,67,35 0 Ж, аммиак – 13,6 мг/дм3, перманганатная окисляемость – 6,43 мгО/дм3
Характеристики установки:
- Производительность: 32,0 м3/сутки
- Пиковый расход: 3,0 м3/ч
- Тип исполнения станции: исполнение II, размещение в помещении заказчика
- Режим работы станции: автоматический, с периодическим обслуживанием.
- Электропитание: 380 В, 50 Гц, 7,0 кВт
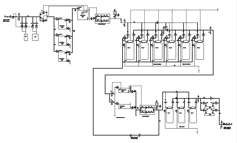
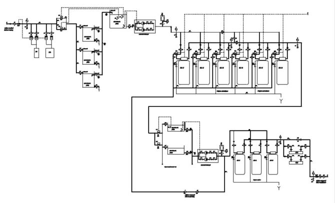
Принципиальная схема системы очистки воды:
Исходная вода подается через счетчик с импульсным выходом на первую ступень очистки – установку коагуляции. Дозирование растворов реагентов осуществляется в автоматическом режиме насосом-дозатором по сигналам от импульсного счетчика, пропорционально расходу. Обработанная вода подается в накопительный бак-отстойник.
Система фильтрации предназначена для удаления механических примесей, окислов железа и марганца, осветления воды.
После системы фильтрации вода подается на систему сорбционной очистки.
Для обеспечения пикового часового расхода воды, неравномерности водопотребления, обеспечения запаса воды на промывку фильтров, устанавливаем накопительные емкости очищенной воды.
Насосная станция II подъема предназначена для забора воды из емкости, подачи воды потребителю, для подачи воды на промывку фильтров.
Перед подачей потребителю вода проходит заключительную стадию очистки — системы ультрафиолетового обеззараживания.






