Объект: установка доочистки воды из муниципального водопровода, г.Салехард, Окружная клиническая больница,
Задача объекта: доочистка воды из муниципального водопровода до норм СанПиН 2.1.4.1074-01
Характеристики:
- Водоисточник: муниципальный водопровод
- Давление на входе станции: 0,3-0,7 Мпа
- Давление на выходе станции: 0,2-0,25 Мпа
- Производительность: 15,0 м3/сутки
- Пиковый расход: 4,0 м3/ч
- Тип исполнения станции: исполнение II, размещение оборудования в помещении заказчика
- Режим работы станции: автоматический, с периодическим обслуживанием.
- Электропитание: 220 В, 50 Гц
- Установленная мощность: 1,0 кВт
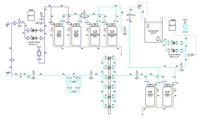
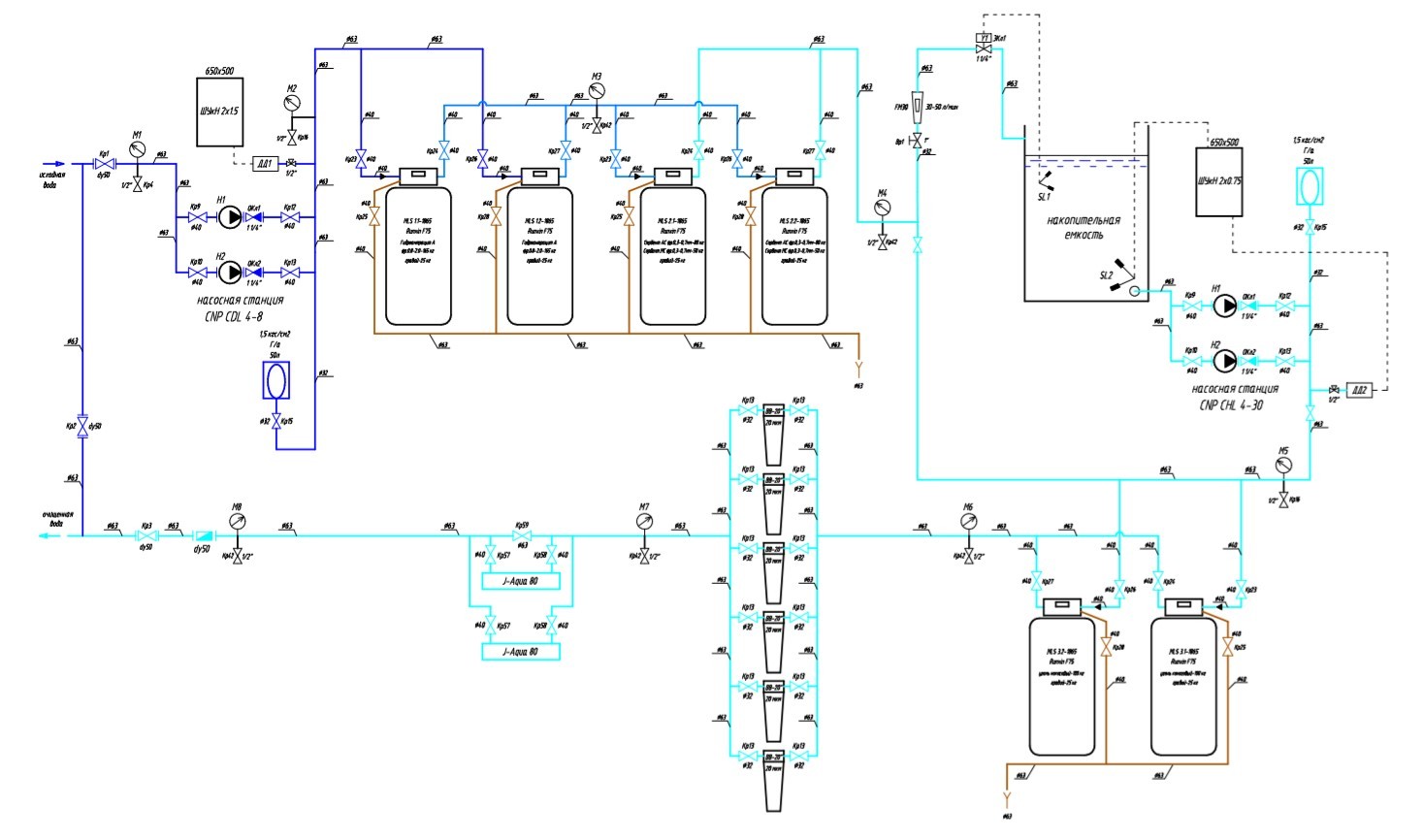
Принципиальная схема:
Принципиальная технологическая схема очистки воды выглядит следующим образом. Исходная вода из муниципального водопровода подается на блокфильтрации. Перед блоком фильтрации для повышения давления предусмотрена насосная станция повышения давления НС I-го подъема. Блок фильтрации состоит из 3-х последовательных ступеней. Каждая ступень включает в себя 2 параллельно работающих фильтра. Загрузка фильтров на каждой ступени предусмотрена в зависимости от назначения той или иной ступени.
1-я ступень предназначена для первичного снижения концентрации механических примесей; 2-я ступень – для более эффективного осветления воды и снижения цветности.
Затем частично очищенная вода накапливается в накопительной емкости. После емкости предусмотрена насосная станция II-го подъема и 3-я ступень блока фильтрации с сорбционной загрузкой.
Далее вода направляется на блок фильтров картриджного типа для «тонкой» очистки.
Заключительной ступенью очистки является УФ обеззараживание.




