Объект: блочная станция очистки воды ЛСВ 500-100, с.Шатрово, Курганская область,
Задача объекта: очистка хозяйственно-питьевой воды из скважин, подача в водопроводную разводящую сеть села
Требования к очищенной воде: соответствие требованиям СанПиН 1.2.3685-21
Качество исходной воды: железо — до 3,1 мг/дм3
Характеристики установки:
- Производительность: 144,0 м3/сутки
- Пиковый расход: 6,0 м3/ч
- Тип исполнения станции: исполнение I, блочно-комплектная установка
- Режим работы станции: автоматический, с периодическим обслуживанием.
- Габаритные размеры: 15000 х 9000 мм х 4700 мм
- Электропитание: 380 В, 50 Гц
- Установленная мощность: 74,88 кВА
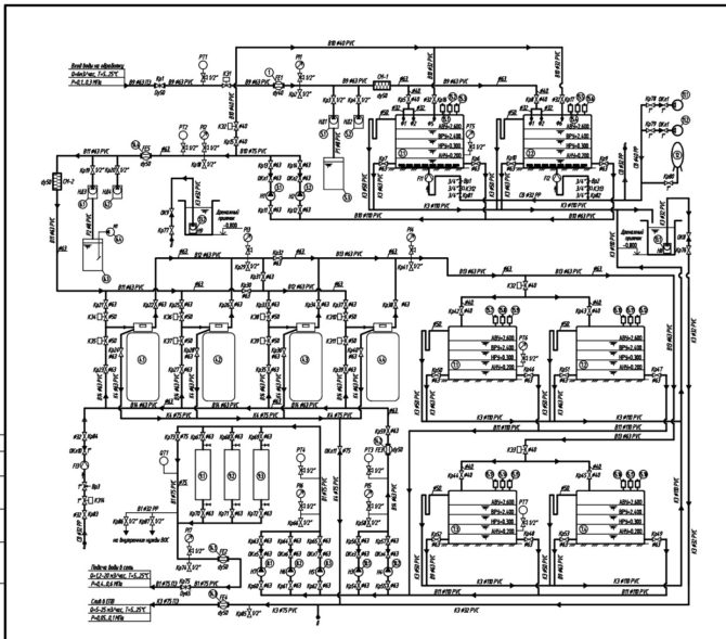
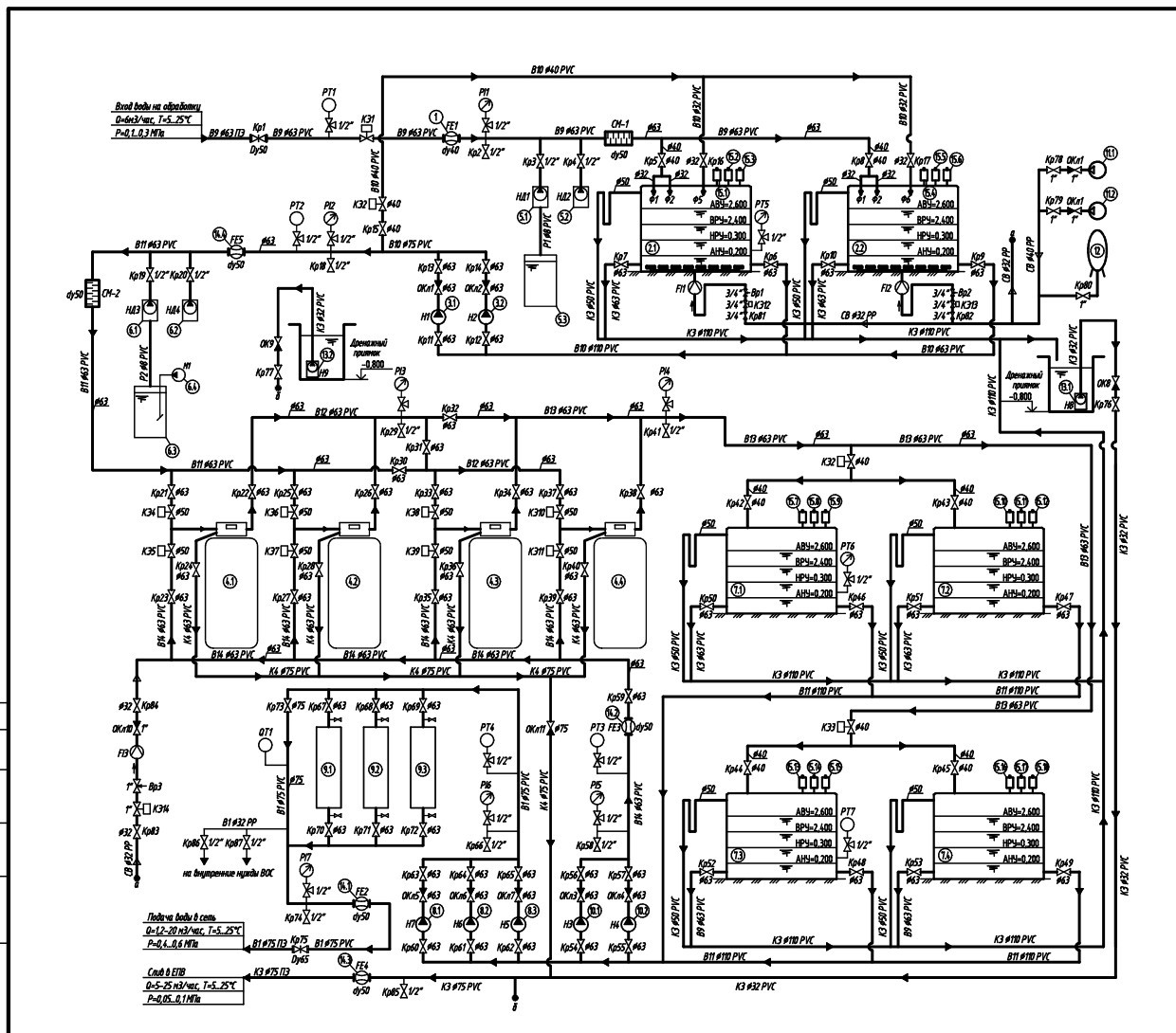
Принципиальная схема системы очистки воды:
Принципиальная технологическая схема очистки воды выглядит следующим образом.
Исходная вода из скважины подается в емкости исходной воды, оборудованные автоматикой уровней. В трубопровод исходной воды перед емкостями дозируется растворы гипохлорита натрия для окисления различных примесей и коагулянта для снижения фторидов
. Дозирование осуществляется в автоматическом режиме химнасосами-дозаторами по сигналу от расходомера. Для смешения реагентов с водой предусмотрен смеситель. Для интенсивного насыщения воды кислородом воздуха с целью отдувки различных газов емкости оборудованы дисковыми аэраторами. Подача воздуха в аэраторы осуществляется при помощи компрессора. Далее из емкостей насосом вода подается на осветлительные фильтры. Данная ступень предназначена для осветления воды, удаления хлопьев образовавшихся загрязнений, снижения мутности и цветности. Предусмотрено 4 параллельно работающих фильтра с автоматическими клапанами управления.
Далее очищенная вода поступает в емкости очищенной воды (РЧВ).
Из РЧВ хозяйственно-питьевыми насосами вода подается потребителю. Для обеззараживания предусмотрены установки УФ обеззараживания.
Для подачи воды на промывку предусмотрена насосная станция промывной воды. Промывка осуществляется очищенной водой из резервуаров чистой воды.





