Объект: блочная станция очистки воды ЛСВ 500-100, с.Сетово. Тобольский район, Тюменская область
Задача объекта: очистка хозяйственно-питьевой воды из скважин, подача в водопроводную разводящую сеть села
Требования к очищенной воде: соответствие требованиям СанПиН 1.2.3685-21
Качество исходной воды: железо — до 0,7 мг/дм3, жесткость общая – до 7,5°Ж, мараганец – до 0,2 мг/дм3
Характеристики установки:
- Производительность: 220,0 м3/сутки
- Пиковый расход: 15,0 м3/ч
- Тип исполнения станции: исполнение I, блочно-комплектная установка
- Режим работы станции: автоматический, с периодическим обслуживанием.
- Габаритные размеры: 12000 х 4900 мм х 3000 мм
- Электропитание: 380 В, 50 Гц
- Установленная мощность: 30,7 кВА
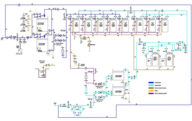
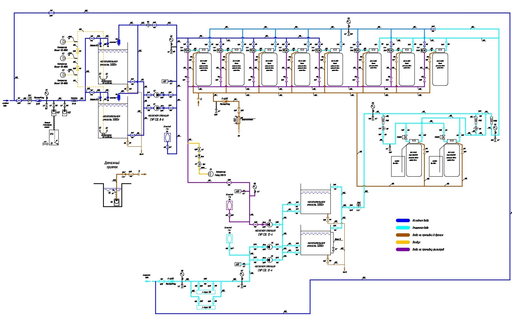
Принципиальная схема системы очистки воды
Принципиальная технологическая схема очистки воды выглядит следующим образом. Исходная вода из скважины подается в емкости исходной воды. Емкости оборудованы автоматикой уровней. В трубопровод исходной воды перед емкостями дозируется раствор NaClO для окисления различных примесей. Дозирование осуществляется в автоматическом режиме химнасосом-дозатором. Емкости исходной воды оборудованы дисковыми аэраторами, в которые воздух подается при помощи компрессора. Далее из емкостей насосной станцией I-го подъема вода подается на блок фильтрации. Блок фильтрации состоит из 5-ти параллельно работающих фильтров с автоматическими клапанами управления.
Следующая ступень – блок сорбционной очистки для улучшения органолептических качеств воды. Блок состоит из 3-х параллельно работающих сорбционных фильтров.
Далее часть расхода воды для снижения общей жесткости и гарантированного снижения ионов аммония (аммиака) подается на ионообменную систему (2 шт.).
Смешение расходов после ионообменной установки и сорбционных фильтров осуществляется в резервуаре чистой воды. Для регулирования потоков предусмотрены ротаметры.
Из резервуара чистой воды насосной станцией II-го подъема очищенная вода подается потребителю. Для обеззараживания предусмотрены 2 установки УФ обеззараживания.
Для подачи воды на промывку предусмотрена насосная станция промывной воды.



