Качество очищенной воды: соответствие стандарту СанПиН 2.1.4.1074-01. Вода питьевая.
Характеристики станции
- Производительность: до 3 м3/сутки.
- Суммарный вес комплекта оборудования 130 кг.
- Транспортировочный объем: 4 м3.
- Требуемые размеры места монтажа: 2000х1000 мм.
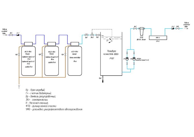
Состав:
- водомерный узел исходной воды;
- распределительная насосная станция 2шт;
- фильтр обезжелезивания с оборудованием для автоматической промывки в 2 ступени;
- фильтр сорбционный с оборудованием для автоматической промывки;
- фильтр тонкой очистки;
- система ультрафиолетового обеззараживания;
- запорная арматура, трубопроводы (полиэтилен и полипропилен);
- манометрические и пробоотборные узлы;
- водомерный узел очищенной воды на потребителя;
- резервуар очищенной воды 1 м3.
Стоимость станции на май 2019 составляет 350 000 (Триста пятьдесят тысяч) руб. 00 коп.
Назначение
Оборудование системы водоочистки предназначено для доочистки исходной воды от цветности, мутности и соединений железа до требований СанПиН 2.1.4.1074-01, а также обеззараживания воды.

Принцип работы
Вода на фильтрацию подается из имеющейся водопроводной сети через водомерный счетчик.
Первой и второй ступенью фильтрации являются механическо-каталитические фильтры, загруженные фильтрующими материалами — сорбентами АС и МС. На этой ступени происходит процесс задержания механических частиц и частиц окисленных загрязнений, осветление воды и удаление железа.
Третьей ступенью является сорбционный фильтр, загруженный активированным кокосовым углем. Данная ступень предназначена для улучшения органолептических показателей качества воды (в т.ч. дополнительного снижения цветности, окисляемости).
Затем вода поступает в резервуар чистой воды (РЧВ), который служит накопителем, и оттуда подается потребителю через фильтр «тонкой» очистки и систему обеззараживания воды. При наполнении РЧВ срабатывает датчик верхнего уровня и подача воды перекрывается электроклапаном.
Очищенная вода подается через водомерный счетчик потребителю при помощи автоматической насосной станции (1 рабочая + 1 резервная).
Для монтажа оборудования требуется отапливаемое помещение размером не более 2000х1000мм. В зоне монтажа необходимо наличие электропитания 220В, водопровода, канализации.
Фильтрация и промывка фильтров проводится в автоматическом режиме. Постоянное присутствие обслуживающего персонала не требуется.
Отправьте on-line заявку на консультацию /
вызов специалиста или звоните нам по тел.:
8 800 234 08 89
