Обьект: блочная станция очистки воды, с.Муромцево, Омская область
Задача объекта: очистка хозяйственно-питьевой воды из скважины, подача в водопроводную разводящую сеть
Требования к очищенной воде: соответствие требованиям СанПиН 2.1.4.1074-01 по Fe, Mn, аммиаку, Ж, бакбезопасности
Качество исходной воды: железо — 3,57 мг/дм3, жесткость — 7,25 0 Ж, аммиак – 2,5 мг/дм3,
Характеристики установки:
- Производительность: 300,0 м3/сутки
- Пиковый расход: 20,0 м3/ч
- Тип исполнения станции: исполнение I, блочно-комплектная установка
- Режим работы станции: автоматический, с периодическим обслуживанием.
- Электропитание: 380 В, 50 Гц, 28 кВт
- Габаритные размеры: 12000 х 4900 х 3000 мм
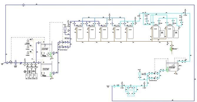
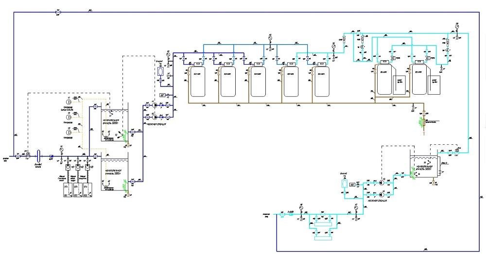
Принципиальная схема системы очистки воды:
Принципиальная технологическая схема очистки воды выглядит следующим образом. Исходная вода из скважины подается в емкости исходной воды. Емкости оборудованы автоматикой уровней. В трубопровод исходной воды перед емкостями дозируются растворы гипохлорита натрия, едкого натра и коагулянта для более эффективного удаления различных примесей. Дозирование осуществляется в автоматическом режиме химнасосами-дозаторами. Далее из емкостей насосной станцией I-го подъема вода подается на блок фильтрации. Данная ступень предназначена для осветления воды, удаления хлопьев образовавшихся загрязнений. Блок фильтрации состоит из 3-х параллельно работающих фильтров-осветлителей с автоматическими клапанами управления.
Следующая ступень – блок сорбционной очистки, предназначенный для улучшения органолептических качеств воды. Блок состоит из 2-х параллельно работающих сорбционных фильтров.
Далее часть расхода воды для снижения общей жесткости и гарантированного снижения ионов аммония (аммиака) подается на ионообменную систему.
Смешение расходов после ионообменной установки и сорбционных фильтров осуществляется в резервуаре чистой воды. Для регулирования потоков предусмотрены ротаметры.
Из резервуара чистой воды насосной станцией II-го подъема очищенная вода подается потребителю. Для обеззараживания предусмотрены 2 установки УФ обеззараживания.
Фото объекта:



