Обьект: детский лагерь «Дружные ребята», Омская область
Задача объекта: очистка хозяйственно-питьевой воды
Требования к очищенной воде: соответствие требованиям СанПиН 2.1.4.1074-01 по следующим показателям: железо – не более 0,3 мг/дм3, марганец — не более 0,1 мг/дм3, аммиак (по азоту) — не более 2,0 мг/дм3, перманганатная окисляемость — не более 5 мг О/дм3, запах — не более 2 баллов, бактериологические показатели.
Качество исходной воды: скважина, содержание химических элементов: железа — 3,30 мг/дм3, марганец — 0,24 мг/дм3 , жесткость — 5,76 0 Ж., аммиак – 5,55 мг/дм3, окисляемость — 2,72 мгО/л., водородный показатель — 6,38 pH, запах- 4 балла.
Характеристики установки:
- Производительность: 50, м3/сутки
- Пиковый расход: 8,0 м3/ч
- Тип исполнения станции: исполнение I, блочно-комплектная установка
- Режим работы станции: автоматический, с периодическим обслуживанием.
- Электропитание: 380 В, 50 Гц, 21,6 кВт
- Габаритные размеры: 10000 х 3000 х 3000 мм
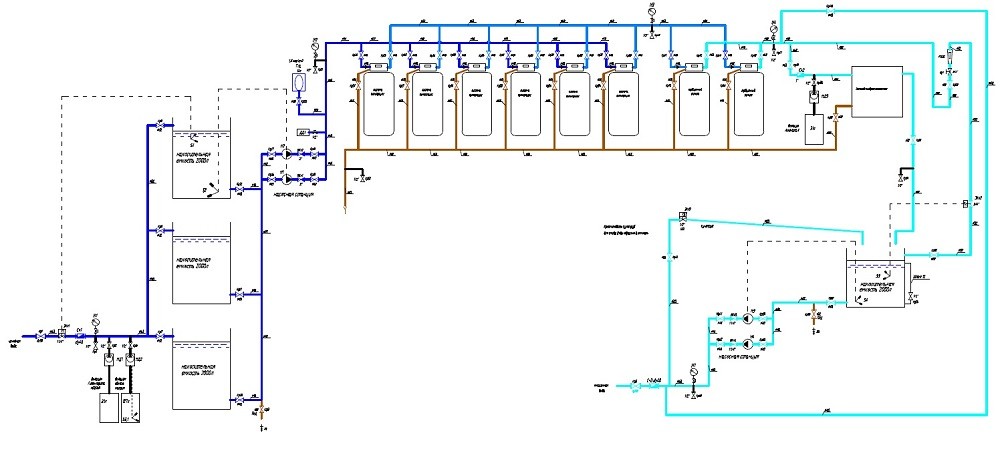
Принципиальная схема системы очистки воды:
Принципиальная технологическая схема очистки воды выглядит следующим образом. Исходная вода из скважины подается в емкости исходной воды. Емкости оборудованы автоматикой уровней. В трубопровод исходной воды перед емкостями дозируются растворы гипохлорита натрия и щелочи для более эффективного окисления различных примесей. Дозирование осуществляется в автоматическом режиме химнасосами-дозаторами. Далее из емкостей насосной станцией I-го подъема вода подается на блок фильтрации. Данная ступень предназначена для осветления воды, удаления хлопьев образовавшихся загрязнений. Блок фильтрации состоит из 6-ти параллельно работающих фильтров-осветлителей с автоматическими клапанами управления.
Следующая ступень – блок сорбционной очистки, предназначенный для улучшения органолептических качеств воды. Блок состоит из 2-х параллельно работающих сорбционных фильтров.
Далее часть расхода воды для снижения общего солесодержания подается на мембранную обратноосмотическую установку. Для защиты мембранных элементов от отложения солей предусмотрено дозирование раствора антискаланта. Дозирование осуществляется в автоматическом режиме.
Смешение расходов после установки обратного осмоса и сорбционных фильтров осуществляется в резервуаре чистой воды. Для регулирования потоков предусмотрены ротаметры.
Из резервуара чистой воды насосной станцией II-го подъема очищенная вода подается потребителю.




