Обьект: ООО «Элвист»
Задача объекта: подготовка воды для бутилирования (розлива)
Требования к очищенной воде: соответствие нормативам СанПиН 2.1.4.1116-02
Питьевая вода. Гигиенические требования к качеству воды, расфасованной в емкости. Контроль качества
Качество исходной воды:
- железо общее-до 2,0 мг/дм3,
- марганец-до 0,6 мг/дм3,
- жесткость – до 6,0 ºЖ,
- аммиак и аммоний-ион -до 2,6 мг/дм3,
- окисляемость перманганатная-до 12,0 мг О/дм3,
- отмечается запах хлора и неопределенного химического типа.
Характеристики установки:
- Производительность установки: 10-12 м3/сутки
- Максимальный часовой расход: 1,5 м3/ч
- Тип исполнения: размещение оборудования в помещении заказчика
- Режим работы станции: автоматический, с регулярным обслуживанием.
- Электропитание: 220 В, 50 Гц
- Габаритные размеры, мм: 3000 х 2500 х 1800
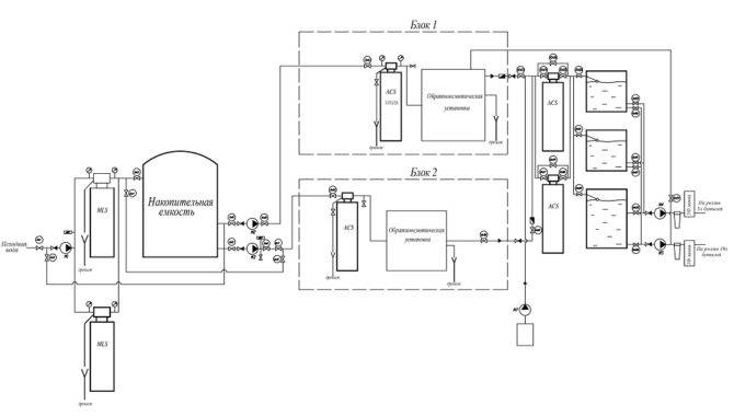
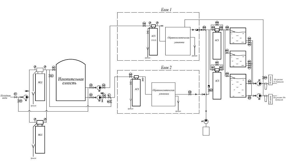
Принципиальная схема системы очистки воды:
Исходная вода через системы механической очистки накапливается в емкость исходной воды. Оттуда при помощи насосов подается на установки дехлорирования и далее-на мембранные обратноосмотические установки.
Затем в подготавливаемую воду дозируются реагенты для коррекции химсостава бутилированной воды. Далее предусмотрена ступень для улучшения органолептических качеств воды. Затем подготовленная вода поступает в резервуары чистой воды, а оттуда через «тонкую» фильтрацию и системы УФ обеззараживания – на аппараты розлива.
Фото объекта:
Отправьте on-line заявку на консультацию /
вызов специалиста или звоните нам по тел.:
8 800 234 08 89




