Обьект: установка доочистки водопроводной воды, детский сад, ЖК «Юбилейный», ул.Линейная
Требования к очищенной воде: соответствие требованиям СанПиН 1.2.3685-21
Качество исходной воды: железо – до 0,6 мг/дм3, мутность – до 2,0 мг/дм3, жесткость – до 10° Ж, перманганатная окисляемость – до 10,0 мгО/дм3, аммиак и аммоний-ион – до 4,0 мг/дм3, цветность – до 35° ПКШ
Характеристики установки:
- Производительность: до 3,0 м3/сутки
- Пиковый расход: 1,0 м3/ч
- Тип исполнения станции: исполнение II, размещение оборудования в помещении заказчика
- Режим работы станции: автоматический, с периодическим обслуживанием.
- Электропитание: 220 В, 50 Гц, 0,3 кВт
- Габаритные размеры: 2700 х 1500 х 2200 мм
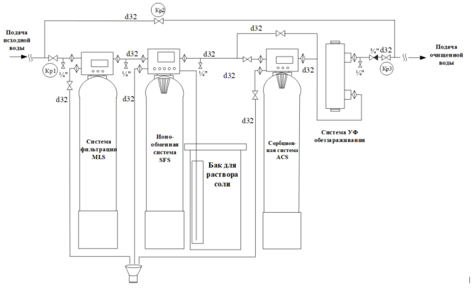
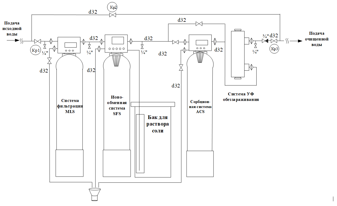
Принципиальная схема системы очистки воды:
Вода из муниципального водопровода направляется сначала на первую ступень – систему фильтрации. Здесь происходит удаление из воды механических примесей, частиц ржавчины, окислов железа и т.д. Далее предусмотрена вторая ступень – ионообменная система. Она предназначена для снижения концентрации марганца в очищаемой воде, корректировки общей жесткости. Третья ступень – система сорбционной очистки, предназначена для улучшения органолептических качеств воды, снижения цветности, устранения хлорного запаха и т.д.
Заключительной ступенью является установка ультрафиолетового обеззараживания воды.
Работа установки автоматизирована и не требует постоянного присутствия обслуживающего персонала.



