Обьект: деревня Байкалово, Тобольский район
Задача объекта: очистка воды подземного водоисточника для хоз.-бытовых целей
Требования к очищенной воде: обеззараживание воды, снижение содержания в очищенной воде соединений железа, марганца, аммония, солей жесткости, цветности, мутности до норм СанПин 2.1.4.1074- 01 – для питьевой воды
Качество исходной воды:
- железо общее до 30 мг/л
- марганец до 1,0 мг/л мутность до 50 мг/л
- цветность до 250 оЦ
- жесткость до 10 оЖ
- аммиак и аммоний-ион до 7,0 мг/л
- окисляемость перманганатная до 30,0 мг О/л
Характеристики установки:
- Производительность установки: 90,0 — 120,0 м3/сутки
- Пиковый расход: до 10,0 м3/ч (непрерывно в течение не менее 15 ч)
- Тип исполнения станции: блочно-комплектная установка
- Режим работы станции: автоматический, с периодическим обслуживанием.
- Электропитание: 380 В, 50 Гц
- Габаритные размеры: 8000 х 6000 х 3400 мм
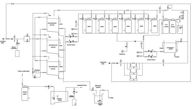
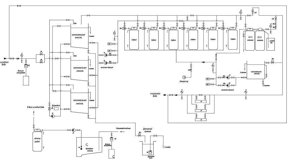
Принципиальная схема системы очистки воды:
Исходная вода со скважины поступает через счетчик с импульсным выходом, узел ввода реагентов и электроклапан в накопительные емкости исходной воды. Предварительно перед емкостями в воду подаются посредством насосов-дозаторов растворы гипохлорита натрия для окисления различных соединений, содержащихся в воде, а также для обеспечения надлежащего санитарно-эпидемиологического состояния СОВ и коагулянта для укрупнения хлопьев загрязняющих веществ.
Также в емкости предусмотрен ввод озона через эжектор в линии циркуляции исходной воды для дополнительного окисления загрязняющих веществ.
После резервуаров исходной воды предусмотрена насосная станция II -го подъема, подающая воду на систему механической фильтрации, где происходит снижение концентрации окисленных загрязнений, удаление механических примесей, взвесей.
После системы фильтрации предусмотрена ионообменная система. Данная ступень предназначена для коррекции химического состава по содержанию марганца, солей жесткости, ионов аммония.
После блока системы фильтрации вода подается в резервуары чистой воды (РЧВ). Из РЧВ забор воды осуществляется насосной станцией III-го подъема. Затем вода обеззараживается и подается потребителю. Обеззараживание осуществляется при помощи систем ультрафиолетового обеззараживания. Водо-воздушная промывка фильтров осуществляется очищенной водой при помощи насосов подачи воды потребителю и компрессора.
Фото объекта:
Отправьте on-line заявку на консультацию /
вызов специалиста или звоните нам по тел.:
8 800 234 08 89



