Обьект: блочная станция очистки воды ЛСВ 500-100, с.Балаганы, Тюменская область, Викуловский район
Задача объекта: очистка хозяйственно-питьевой воды из скважины, подача в водопроводную разводящую сеть
Требования к очищенной воде: соответствие требованиям СанПиН 2.1.4.1074-01 по Fe, Mn, мутности, бакбезопасности
Качество исходной воды: железо – до 10,5 мг/дм3, марганец – до 0,5 мг/дм3, перманганатная окисляемость – до 2,0 мгО/дм3
Характеристики установки:
- Производительность: 240,0 м3/сутки
- Пиковый расход: 10,0 м3/ч
- Тип исполнения станции: исполнение I, блочно-комплектная установка
- Режим работы станции: автоматический, с периодическим обслуживанием.
- Электропитание: 380 В, 50 Гц, 23 кВт
- Габаритные размеры: 10000 х 2450 х 3000 мм
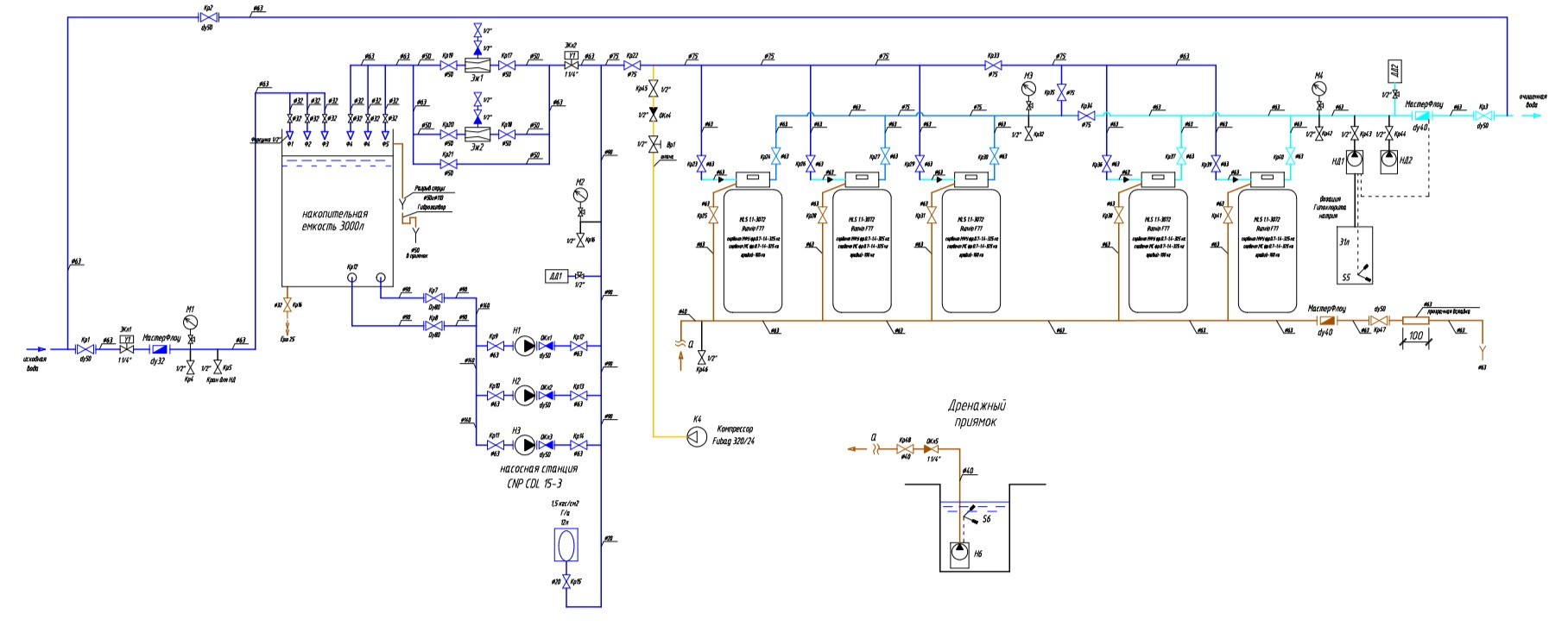
Принципиальная схема системы очистки воды:
Принципиальная технологическая схема очистки воды выглядит следующим образом. Исходная вода из скважин подается в циркуляционно-подпиточную емкость исходной воды (1 шт. 3,0 м3), оборудованную автоматикой уровня. Емкость оснащена струйными эжекторами и аэрационными форсунками для окисления соединений железа и марганца кислородом воздуха, а также для отдувки растворенных газов. Далее из емкости насосами насосной станции I-го подъема вода подается на блок фильтрации и обезжелезивания. Данная ступень предназначена для осветления воды, удаления хлопьев образовавшихся загрязнений. Блок фильтрации состоит из 5-ти параллельно работающих фильтров с автоматическими клапанами управления. Предусмотрена возможность проведения водовоздушной промывки фильтров с подачей воздуха компрессором.
Для поддержания надлежащего санитарного состояния оборудования и обеззараживания предусмотрена дозация в трубопроводы раствора хлора «Эмовекс». Дозирование осуществляется в автоматическом режиме химнасосами-дозаторами по сигналу от счетчика.
Заключительной ступенью очистки является блок УФ обеззараживания. Накопление очищенной воды осуществляется в резервуарах чистой воды (РЧВ).
Фото объекта




