Объект: блочная станция очистки воды для ООО «Тюмень Водоканал», с.Каменка, Тюменская область, Тюменский район
Задача объекта: очистка хозяйственно-питьевой воды из скважины, подача в водопроводную разводящую сеть
Требования к очищенной воде: соответствие требованиям СанПиН 2.1.4.1074-01 по железу и бакбезопасности
Качество исходной воды: железо — до 3,1 мг/дм3
Характеристики установки:
- Производительность: до 300,0 м3/сутки
- Пиковый расход: до 15,0 м3/ч
- Тип исполнения станции: исполнение I, блочно-комплектная установка
- Режим работы станции: автоматический, с периодическим обслуживанием.
- Габаритные размеры: 15000 х 3000 х 3000 мм и 7500 х 4000 х 3000 мм
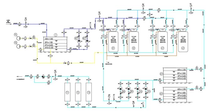
Принципиальная схема системы очистки воды:
Принципиальная технологическая схема очистки воды выглядит следующим образом. Исходная вода из скважины подается в окислительную емкость. В трубопровод исходной воды перед емкостью в воду вводится воздух для окисления соединений железа Fe2+. Подача воздуха осуществляется в автоматическом режиме компрессорами. Далее вода из емкости насосами НС I-го подъема подается на блок фильтрации. Данная ступень предназначена для осветления воды, удаления хлопьев образовавшихся окислов железа. Блок фильтрации состоит из 4-х фильтров с автоматическими клапанами управления. Обвязка трубопроводов выполнена таким образом, что фильтры могут работать как в одну ступень, так и в 2 ступени (по 2 фильтра в каждой).
Для накопления запаса очищенной воды предусмотрены резервуары чистой воды РЧВ. Для подачи очищенной воды на промывку фильтров предусмотрены насосы промывной воды. Для подачи воды потребителю предусмотрены хозяйственно-питьевые насоса (НС II-го подъема).
Заключительной ступенью очистки перед подачей потребителю является блок УФ обеззараживания. Он состоит из 2-х рабочих установок и одной резервной.




