Обьект: блочная станция очистки воды, дер.Аксарина, Тюменская область, Ярковский район
Задача объекта: очистка хозяйственно-питьевой воды из скважины, подача в водопроводную разводящую сеть
Требования к очищенной воде: соответствие требованиям СанПиН 2.1.4.1074-01 по Fe, Mn, аммиаку, Ж, бакбезопасности
Качество исходной воды: железо — 2,96 мг/дм3, жесткость — 6,19 0 Ж, аммиак – 7,33 мг/дм3,
Характеристики установки:
- Производительность: 65,0 м3/сутки
- Пиковый расход: 4,0 м3/ч
- Тип исполнения станции: исполнение I, блочно-комплектная установка
- Режим работы станции: автоматический, с периодическим обслуживанием.
- Электропитание: 380 В, 50 Гц, 16,5 кВт
- Габаритные размеры: 9000 х 2800 х 3000 мм
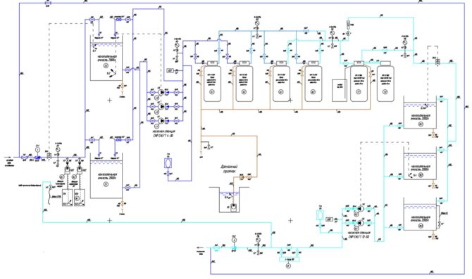
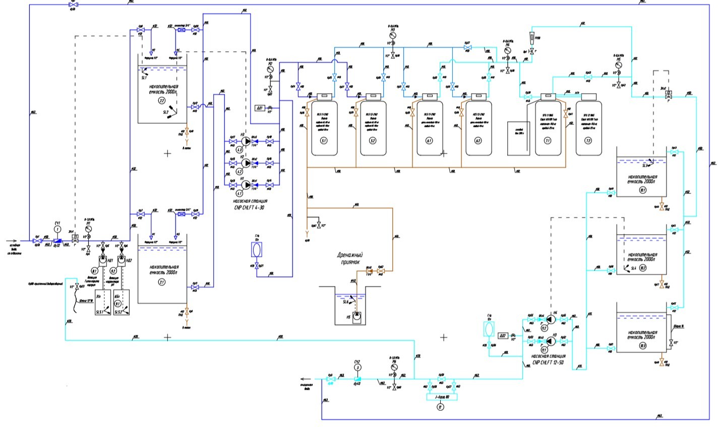
Принципиальная схема системы очистки воды:
Принципиальная технологическая схема очистки воды выглядит следующим образом. Исходная вода из скважины подается в емкости исходной воды, оборудованные автоматикой уровней. В трубопровод исходной воды перед емкостями дозируются различные реагенты (щелочь, гипохлорит натрия). Дозирование осуществляется в автоматическом режиме химнасосами – дозаторами по сигналу от импульсного счетчика. Для интенсивного смешения реагента с водой емкости исходной воды оборудованы инжекторами и форсунками. Далее из емкостей насосной станцией I-го подъема вода подается на блок фильтрации. Данная ступень предназначена для осветления воды, удаления хлопьев образовавшихся загрязнений. Блок фильтрации состоит из 2-х параллельно работающих фильтров с автоматическими клапанами управления.
Следующая ступень – блок сорбционной очистки (2 фильтра), предназначенный для улучшения органолептических качеств воды.
Далее часть расхода воды для снижения концентрации марганца, иона аммония подается на ионообменную систему непрерывного действия.
Для накопления запаса очищенной воды предусмотрены резервуары чистой воды РЧВ. Для подачи воды потребителю предусмотрена насосная станция II-го подъема.
Заключительной ступенью очистки является блок УФ обеззараживания.


