Обьект: блочная станция очистки воды для работников мусоросортировочного завода, г.Тобольск.
Задача объекта: очистка хозяйственно-питьевой воды из скважины, подача в водопроводную разводящую сеть
Требования к очищенной воде: соответствие требованиям СанПиН 2.1.4.1074-01
Качество исходной воды: железо — 3,96 мг/дм3, жесткость — 10,2 0 Ж, аммиак – 6,24 мг/дм3, общее солесодержание – 929 мг/дм3
Характеристики установки:
- Производительность: 30,0 м3/сутки
- Пиковый расход: 8,5 м3/ч
- Тип исполнения станции: исполнение I, блочно-комплектная установка
- Режим работы станции: автоматический, с периодическим обслуживанием.
- Электропитание: 380 В, 50 Гц, 26 кВт
- Габаритные размеры: 10000 х 4900 х 3200 мм
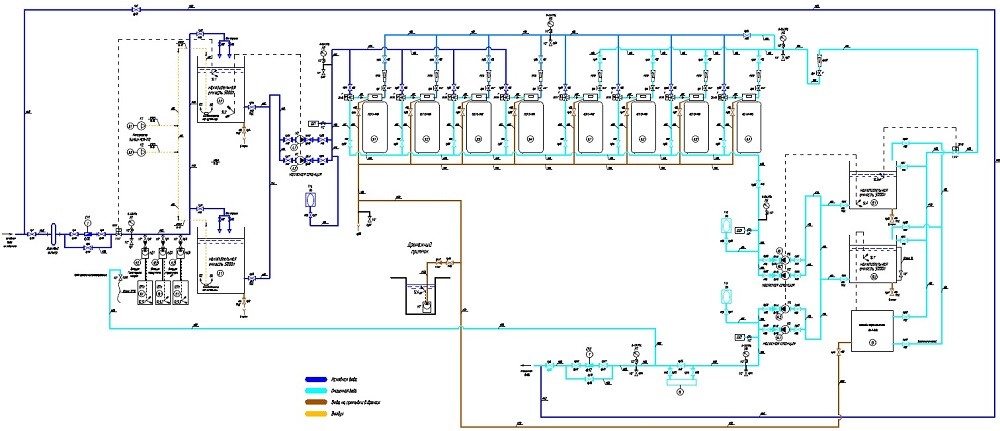
Принципиальная схема системы очистки воды:
Принципиальная технологическая схема очистки воды выглядит следующим образом. Исходная вода из скважины скважинным насосом, оборудованным частотным преобразователем, подается на блочную станцию для очистки.
Первой ступенью очистки является дисковый фильтр, предназначенный для защиты водомерного узла от механических примесей и взвесей размером более 130 мкм.
Далее в очищаемую воду дозируются растворы гипохлорита натрия, коагулянта и корректора рН. Все реагенты дозируются химнасосами-дозаторами пропорционально расходу воды. Для обеспечения времени контакта реагентов с водой предусмотрены резервуары исходной воды РИВ. Для более интенсивного перемешивания и насыщения воды кислородом воздуха РИВ оборудованы дисковыми аэраторами, к которым компрессорами подается воздух. Также в РИВ предусмотрены спиральные форсунки для более эффективного контакта воды и воздуха.
Из резервуаров исходной воды насосной станцией I-го подъема вода подается на блок фильтров осветления I ступени. На этой ступени происходит задержание хлопьев образовавшихся в результате контакта с реагентами загрязнений, осветление воды.
Блок фильтров осветления состоит из 4-х параллельно работающих фильтров с автоматическими управляющими клапанами.
Следующая ступень – блок фильтров обезжелезивания, предназначенный для более эффективной очистки воды, в том числе по органолептическим показателям. Блок также состоит из 4-х параллельно работающих фильтров с автоматическими управляющими клапанами.
Далее часть расхода воды для более глубокой очистки подается на мембранную обратноосмотическую установку.
Смешение расходов после установки обратного осмоса и блока обезжелезивания осуществляется в резервуарах чистой воды РЧВ. Для регулирования потоков предусмотрены ротаметры.
Из резервуаров чистой воды насосной станцией II-го подъема очищенная вода через установку ультрафиолетового обеззараживания и водомерный узел (узел учета очищенной воды) подается потребителю. Также из РЧВ осуществляется промывка фильтров очищенной водой.







