Объект: блочная станция подготовки питьевой воды ЛСВ 10-3 для персонала «Газпромнефть-Восток»
Задача объекта: очистка воды из поверхностных и подземных источников
Требования к очищенной воде: соответствие требованиям СанПиН 1.2.3685-21
Характеристики установки:
- Производительность: 10,0 м3/сутки
- Пиковый расход: 1,0 м3/ч
- Тип исполнения станции: исполнение I, блочно-комплектная установка
- Режим работы станции: автоматический, с периодическим обслуживанием
- Электропитание: 230 В, 50 Гц, 6,0 кВт
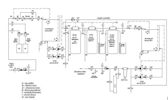
Принципиальная схема системы очистки воды
Принципиальная технологическая схема очистки воды выглядит следующим образом. Исходная вода из скважины через фильтр грубой очистки и инжектор подается в реакторный бак исходной воды. Перед инжектором в воду дозируются реагенты. Подача воздуха в воду осуществляется через инжектор во время набора реакторной ёмкости.
Система дозации реагентов в исходную воду предназначена для окисления железа, марганца, органических соединений, укрупнения хлопьев, регулировки рН. Система аэрации предназначена для насыщения воды из скважин кислородом воздуха, отдувки растворенных газов (углекислоты, сероводорода). Излишки воздуха удаляются через дыхательный клапан на реакторной емкости. Реакторная ёмкость исходной воды предназначена для обеспечения времени контакта и протекания реакций окисления железа и выпадения в осадок коллоидных диспергированных частиц органического и неорганического происхождения.
В реакторной ёмкости дополнительно обеспечивается удаление агрессивной углекислоты, которая вызывает коррозию стальных трубопроводов и замедляет протекание реакций окисления железа. Насос первого подъема предназначен для подачи воды на скорые напорные фильтры и последующей подачи в бак очищенной воды. Для обеспечения «горячего» резерва смонтирован дополнительный полноразмерный насос. На скорых напорных фильтрах с каталитической загрузкой происходит реакция окисления и задержание образовавшихся в результате окисления хлопьев загрязнений.
Первая ступень фильтрования проводит осветляющее фильтрование и частично обезжелезивание, промывается обратной промывкой, вторая ступень фильтрования осуществляет доокисление железа и марганца, регенерируется раствором перманганата калия KMnO4. Для перекрытия подачи в емкость неочищенной воды на период регенерации, установлен клапан с электроприводом. После фильтров I и II ступеней вода проходит через III ступень — ионообменный фильтр для снижения жесткости воды, регенерация ионообменного фильтра проводится солевым раствором. Все фильтры работают под управлением автоматических клапанов. Очищенная вода поступает в ёмкость запаса очищенной воды, которая служит для хранения запаса воды и обеспечения пиковых расходов.
После накопительной емкости установлены насосы II подъема (рабочий + резервный), которые служит для подачи воды на промывку фильтров и обеспечения напора воды на выходе станции очистки. Для улавливания механических частиц на выходе установлен фильтр тонкой очистки с рейтингом фильтрации 5 мкм. Очищенная вода перед подачей в сеть потребителя проходит обеззараживание на ультрафиолетовом стерилизаторе.





